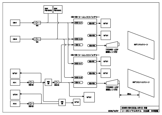
仕込み図 映像製作だ。
大概の現場でのシステムは頭の中に入っている。おそらくマイクロフィルムのような、否、そんないい物ではないが、一応図面としてイメージできる。
ただし現場は私一人ではなく、複数のスタッフが動いている。技術や制作スタッフがシステム全体を共有、把握していなければ仕込みに時間がかかったり、トラブル発生時の対応が悪くなる。
私が描く仕込図は技術職だけのものではなく、制作のスタッフにもわかりやすいことを目標にしている。学校では基礎工学、電子工学を学んだが、専門職だけが理解できる仕込図では現場で役に立たない。
検索でヒットしたページはかなり古いもので参考にはならないだろう。
これは5年ほど前のもので、ライブスイッチャーは入れずにシームレスのみで運用した。
これは2005年の現場。そこで会社のサイト内検索を行ってみた。検索キーワードは「仕込図」である。この結果の2ページ目が面白い。検索結果は2009年のものである。そのうちの1件目は東京国際アニメフェアの特設ステージのシームレス部分だ。そして3件目はライブカメラ部分の仕込図だ。
これをIEやSleipnirで見ると拡大や検索機能が利用できる。残念ながらFireFoxやGoogleChorome、Opera、Safariでは対応していない。
仕込図としては中途半端だが、電気回路のことが解らない制作スタッフであっても概ね理解できるだろう。スタッフ皆がシステム全体を共有、把握できる仕込図を描くことが大切だ。
|
2009年5月28日
|
記事へ |
コメント(0) |
トラックバック(0) |
|
映像制作・撮影技術 |
トラックバックURL:http://blog.zaq.ne.jp/senri/trackback/846/
※ブログ管理者が承認するまで表示されません
vinten ブレーキという検索。たぶんパンのロックネジの頭が取れるかどうかしての検索だろう。1000円少々の部品だから、適当に治すよりは部品交換して初期性能を維持する方が良いだろう。機械類全てに言えることして「きっちり治すことで大事に使ってもらえる」のである。壊れたままや、接着剤などで不細工な修復をすれば扱いが悪くなるのは当然だ。私の会社が登録している放送機器のレンタル会社の機材はいつもしっかりメンテされていて、スタッフも借りてきた機材を自然と大切に扱う。
上の写真はこれまでにビンテンジャパンで交換してもらったビジョン10のパーツだ。ビンテンといえども機械である。使えば磨耗してヘタってくる。「ちょっと変、おかしいな?」と思うことがあれば車と同様メンテナンスに出す。
下の写真はビジョン10のブレーキ内部の部品。車で言えばブレーキライニングだ。カムで押しひろげて外側のドラム部分と摩擦を発生させてブレーキをかけている。
ビジョン10をかれこれ10年以上使ってきたが、ビジョン11やビジョン100よりも10が好きだ。
そのビジョン10が最近ボールの表面が磨耗してきて、かなり強く締めないと三脚のワンが滑ってしまう。そんなわけで連休前にメンテに出した。ボール部分を交換することでまたこれから先も初期性能を維持してくれる。そろそろ修理から上がってくるはずである。
|
2009年5月22日
|
記事へ |
コメント(0) |
トラックバック(0) |
|
映像制作・撮影技術 |
トラックバックURL:http://blog.zaq.ne.jp/senri/trackback/845/
※ブログ管理者が承認するまで表示されません
ローランドEDIROLの新製品が間もなく登場する。VC-50HDだ。
大きさはF1よりも小ぶりで現場向け。構造が堅牢でやはり現場向け。IDXのVマウントの台座を直付けするためのプレートも付いているそうでこれも現場向け。まさにビデオフィールドコンバーターである。
HD-SDI信号とHDV信号の双方向変換が出来、出力はHDMIにも対応しているので、民生用の大型液晶テレビにHDCAMの映像を出すことも出来る。
そして特筆すべきはIEEE1394はHDVの25Mbpsにとどまらず、50MbpsのMPEG2-TSに対応していることだ。またHDV用のフィールドレコーダーのF1もVer.2で50Mbpsをサポートした。
すぐにどうこうというわけではなく、いずれは買わざるを得ない製品だと思う。またソニーのHVR-1500を購入した直後に1500Aが出て悲しい思いをされた方には朗報となるだろう。またHD-SDI入力は放送カメラに採用されているコントロールに対応している。
発売は6月だそうで、現在カタログがPDFで公開されている。F1と合わせて購入すればおよそ60万。どれだけ仕事をすれば回収できるかよりも、これがあることで何が変わるかを検討している。
|
2009年5月8日
|
記事へ |
コメント(0) |
トラックバック(0) |
|
映像制作・撮影技術 |
トラックバックURL:http://blog.zaq.ne.jp/senri/trackback/842/
※ブログ管理者が承認するまで表示されません
むぎくさである。検索されたページは現在製作中の「麦草ヒュッテ」のホームページだった。まだ完成していないが、GW前ということでの暫定公開である。他の検索として「麦草」があった。こちらはドメインエイリアスのkitayatsugatake.comがヒットしていた。アップ早々に上位ヒットしたことはとても嬉しい。これらは会社のホームページSVS.NE.JPのサーバーにベーチャルドメインとして置いているので、暫定的に使用しているSVS.NE.JPのアクセス解析を使用して取得している。
山小屋にはPCのインターネットは無く、使用できるのは携帯電話のインターネットで、それもアンテナブースターを取り付けての接続だ。その環境からでもなんとか「麦草峠の小屋番日記」というブログは更新できるようになった。そのブログでは昨日の雪の状況が書き込まれていた。。
天候は吹雪、気温は−4℃〜−1℃だそうだ。
けっこう打ちづらいと思うが、2127mの山小屋からリアルタイムに情報が伝わってくるということが凄いと思う。携帯電話で撮った写真に文章を付けてアップしてくれる小屋番の栗原さんに脱帽する。
麓からは「麦草ヒュッテの最新情報」として今後はオーナーがデジカメで撮った写真や、山小屋の情報をいち早くアップしてくれる予定だ。
未完完のコンテンツなどを早くアップしたいが、連日の撮影でGWが明けるまでは手が付けられそうに無い。なんとかスタイルシートも使えるようになったが、まだまだ勉強不足で思うようにはいかない。そしてやはり本業あってのWEB製作だ。
ブログの更新が止まっていた言い訳ではないが、少しだけ今日の現場をアップしてみた。
今日は南海電鉄の新しい観光列車「天空」の撮影だった。橋本駅から極楽橋の往復を試乗させていただいたが、ノスタルジックでお洒落な電車に感動した。窓外に向いた座席や展望デッキから見える新緑はとても爽やかだった。

ウッディーな内装、ゆったりとしたつくりは観光列車に相応しいものである。
極楽橋駅に停車した全くイメージが違う「こうや」と「天空」。明後日は再び橋本市で天空の走る姿を様々なポイントから撮影する。新緑の中を走る山岳鉄道の美しい姿が撮れるように天候を期待したい。GW期間中に新しくなった難波駅もグライドカムを使って撮影する。GWは鉄道週間になりそうだ。
|
2009年4月27日
|
記事へ |
コメント(0) |
トラックバック(0) |
|
映像制作・撮影技術 /
旅の紀行 /
検索エンジン・SEO |
トラックバックURL:http://blog.zaq.ne.jp/senri/trackback/840/
※ブログ管理者が承認するまで表示されません
「テープ記録表 完パケ」である。
リニア編集でも、ノンリニア編集でも完成したビデオテープにはその記録内容及び作業内容をJOBシートとして添付しなければ他社に渡すことが出来ない。これはファイルであっても同じで記録時間、圧縮している場合はコーデックなどを明記する必要がある。
雛形は社団法人日本ポストプロダクション協会から配布されていたが、映画配給会社や番組制作会社からこれまでに受け取ったテープの記録表の形式は統一されてはいなかった。各社各様にオリジナルを作っているようだ。
とは言っても、基本は必ず満たしている。プログラムのタイトル、制作会社、編集日、記録VTR,編集者、音声情報、タイムコード情報などだ。
そしてタイムテーブルにカラーバー、クレジット、リーダーなどを記入する。
末尾のADITIONAL EEDはマルチオーディオ編集やインサートを行った場合に記入するもで、インサートモードを持たないDV編集では関係無い項目だ。しかし部分差し替えなどでRS422A制御でインサートすることも時々あり、やはり削除は出来ない項目である。私の会社の雛形はPDFファイルとしてWEBサーバーにアップし、出先のポスプロでも利用できるようにしている。イラストレーターで編集可能なファイルにしているので、自由に加工して使用していただいてよい。また以前の汎用ファイルも残っている。
現在はノンリニア編集によるファイル納品に適したジョブレポートの書式を模索している。タイトルはNLE JOB REPORTになるだろう。
現在制作作業を進めているJICAのフランス語版VPでは完パケがファイルになるためVIDEO TAPE JOB REPORTはNLE JOB REPORTとなる。
|
2009年4月12日
|
記事へ |
コメント(0) |
トラックバック(0) |
|
映像制作・撮影技術 /
音声・録音・音響 |
トラックバックURL:http://blog.zaq.ne.jp/senri/trackback/838/
※ブログ管理者が承認するまで表示されません
ヒーローシンガーの宮内タカユキからこんなものが届いた。
私の大好物だ。
中身はコレ 黒糖の入った皮と粒餡が素晴らしい。とにかく旨い。旨いものは旨い!
今年2月から宮内のブログが新しくなった。宮内タカユキ公式ブログ『ぶっちぎるぜ!!』だ。これはエキサイトのエキサイトアニメである。アメブロの芸能人・有名人ブログと同様のものである。さすが宮内だ。
いきなりドラ焼きのことを書いたが、実はメインはSOULのブレーカー上下セットだ。
この春、GW前にはまた信州へ行く予定だ。このブレーカーを着て
『ぶっちぎるぜ!!』
|
2009年4月4日
|
記事へ |
コメント(0) |
トラックバック(0) |
|
アーチスト・タレント /
映像制作・撮影技術 |
トラックバックURL:http://blog.zaq.ne.jp/senri/trackback/836/
※ブログ管理者が承認するまで表示されません
願いは通じるものである。
FieldReport(2009年03月27日)の「ナレーターさんの事務所で」に書いたナレーターの事務所での話。会社のスタッフがその事務所のナレブースにあるヘッドフォンを見て「僕の生まれた時に出たヘッドフォンです」「初めて掛けたけれど、装着感、音質が抜群」「めっちゃ欲しい!」「くれへんかなぁ〜〜」と、心を奪われたしまった。会社に戻っても話題はヘッドフォンのことばかり。オークションも探したらしいが無かった。
「今度新しいのを持ってきて交換してもらえば?」と言ったが、恥ずかしいらしく乗り気でない。仕方ないので私からその事務所に電話をして事情を説明した。どうやらこのヘッドフォンはその会社の技術担当の個人所有のもので、「本人の意向を確かめてみる」ということだった。
で、翌日早速返事があり、「掛け心地がいいので置いていましたが、気に入っていただいてかわいがっていただけるのならどうぞ」ということである。早速ヨドバシ梅田へ行って極力掛け心地のいいヘッドフォンを探して事務所にお届けし、SONY DR-27を戴いて来た。
確かに掛け心地もよく、音質も十分だ。最近のものに比べて作りもしっかりしている。
最近のヘッドフォンのインピーダンスが32Ωなのに対して、DR-27は8Ωである。また、STEREO/MONOの切り替えスイッチが付いている。ヘッドフォン近代博物館の当時のデータはこうだ。
■価格 \3,300
■型式 ダイナミック型密閉式
■振動板 77oコーン型
■インピーダンス 8Ω
■再生周波数帯域 20-20,000Hz
■許容入力 500mW
■感度 103db/mW
■コード 3mカールコード
■重量 415g(コード含む)
■発売 1977年10月
■販売終了 1979年頃
■備考 ステレオ/モノ切替スイッチ付き
この1977年がスタッフの生まれ年である。1977年には松下がVHS方式のホームビデオ「マックロード」を発売した。また、この年に発売されたものとして「Nikon F2 Photomic A」「Nikon FM」やシャッター速度優先、絞り優先の両方を搭載した「Minolta XD」「Konica C35 AF(ジャスピンコニカ)」などが発売され、王選手(当時)通算本塁打756号達成した。また、タイムボカンシリーズのヤッターマン放送開始した年でもある。
今回ナレータ事務所のご好意で入手できたヘッドフォンDR-27だが、発売当時は生録ブームだった。ソニーに限らずビクターやデンオン、日立、ナカミチなどからも様々な野外録音用カセットテープレコーダーが発売され、78年にはソニーからそれまでのものに比較して大幅に小型化したカセットデンスケのTC-D5が発売された。1枚目の写真を見て判るようにヘッドフォンのコードが短めのカールコードになっているのも生録向けのデザインということだろう。
当時のカタログと同じアングルでDR-27の写真を撮ってみた。最近のヘッドフォンには無いデザインである。1977年発売にこだわるスタッフの宝物が一つ増えたようだ。大切に使ってくれれば私も嬉しい。
ちなみに私が愛用するヘッドフォンはSONYのMDR-7506とPanasonic RP-HTX9とRP-HTX7だ。MDR-7506は録音やEFPの現場用、RP-HTX9とRP-HTX7はENG用である。しかし私がもっぱら撮影時にモニターとして使用するのはASHIDAのイヤホンである。グレーのものが一般的だが、黒色のものは秋葉原のラジオセンターで入手できる。
|
2009年3月30日
|
記事へ |
コメント(2) |
トラックバック(0) |
|
映像制作・撮影技術 /
音声・録音・音響 |
トラックバックURL:http://blog.zaq.ne.jp/senri/trackback/833/
※ブログ管理者が承認するまで表示されません
本来FieldReportへアップする内容だが、出先でFTPが使用できないのでBLOGariにアップする。
※3/25追記今回の現場レポートをWEBサイトのFielfReportにアップしたのでご覧いただきたい。
往路は大阪スタッフ総勢6名。デリカとボンゴに分乗して、ボンゴは前日に先発し、私は後発のデリカで出発。
天候に恵まれ富士川では見事な富士山を眺めることが出来た。幸先のいいスタートだ。
昼食はお決まりのミニ丼三色セット。マグロの漬け丼、さくら海老の掻き揚げ丼、天丼のセット。
私は掻き揚げ丼がしらす丼になっている。富士川SAのお薦めメニューである。
東京に着いてレインボーブリッジを渡る。お台場のビッグサイトはもう目前だ。それにしても天気がいい。
船の科学館の宗谷。
海王丸もあった。
ビッグサイトで荷卸をして仮仕込まで行い、この日は昨年「もうかりメッセ」の時に訪れた大森海岸の「鍋ぞう」でしゃぶしゃぶ食べ放題の前夜祭。私の会社のスタッフは下戸ばかりのため、飲み放題とは無縁だ。ビール3本よりは飯三杯である。
食べ放題でたいらげた肉は6名で70枚。思い切り満足の夕食だった。「鍋ぞう」のスタッフも唖然とする千里ビデオサービスの食いっぷりである。こういう客ばかりが毎日来れば食べ放題1980円では大赤字になるだろう。毎度毎度申し訳ない。
また、今回は映像スタッフの打ち上げも鎌田駅前の「牛座」で焼肉の食べ放題にした。とにかくよく食べる。一緒に食べていて気持ちがいい。酒は食べ放題に自動的に付くワンドリンクの中から生ビール一杯で十分すぎるスタッフは各々5人前以上の焼肉を平らげた。
私がフリーだった頃、どちらかといえば食べなくても平気で、仕事をすると飯を食べるのも忘れるタイプだった。しかし大勢のスタッフとロケなど行うようになってからは飯の時間、自由時間、お土産を買う時間などを設けることが現場を和やかにする秘訣だと、当時番組の制作をしていたM氏に教わった。大切なことである。
今回の現場もケータリングには気を遣った。甘いものを用意し、スタッフの脳を活性化しなければならない。もしケータリングが無ければ10時間もの間スタッフは空腹に耐えなければならない。今回のブースからビッグサイトのコンビにまでは徒歩で10分近くかかる。往復で20分である。リハが始まればスタッフは持ち場を離れられない。本番終了後すぐにリハが始まるスケジュールではコンビにまで行っている暇など全く無い。
VE担当スタッフは毎朝ビッグサイトに着くと、まずコンビニでおにぎりやお菓子を買出しに行くのが日課になった。これで用意したチョコやクッキーといったお菓子類とお茶やジュースは映像スタッフだけではなく、いつも一緒に現場を担当する音照スタッフにも喜ばれた。
食べてばかりのように思われては具合が悪いので仕込図をアップしておく。上が特設ステージのライブカメラで、下はシームレススイッチャーのブース。図面には入っていないが全てのフォーマットに対応するためそれぞれのブースにローランドのビデオフォーマットコンバーターVC-300HDを用意した。VC-300HDの製品紹介ムービーは昨年我々が撮ったものである。
3/23追記
昨日無事大阪へ戻ってきた。
FTP環境が無かったためブログに書いたが、近日中にFieldReport及びShootingに現場レポをアップする予定だ。
|
2009年3月16日
|
記事へ |
コメント(0) |
トラックバック(0) |
|
映像制作・撮影技術 /
旅の紀行 |
トラックバックURL:http://blog.zaq.ne.jp/senri/trackback/832/
※ブログ管理者が承認するまで表示されません
「特殊撮影技術 制作会社」というキーワードだった。
映像を作る場合、基本はカメラ、照明、音声だが、用途によっては特殊な技術が必要になる。ここでいう特殊とは特殊効果やクレーンなどの特機とは違い、学術的な実験などに対応した特殊な技術である。
たとえば天体の撮影や顕微鏡撮影、赤外線撮影、高速度撮影、低速度撮影、その他諸々である。こういった特殊撮影技術も制作内容によっては表現手段として必要になる。ただし予算に限りがある場合は無理・・・・であろう。また、予算があっても撮影技術が確立されていなければやはり無理・・・・である。
しかし検索にあった特殊撮影技術という言葉は撮影技術会社には心地よい響きがある。一般的に無理であれば無理であるほどいっちょやったろかという気持ちがうずく。
最近新しい案件が持ち上がっているが、通常の撮影以外に特殊と考えられる撮影が必要になる。この案件を受注するためにはその撮影方法を確立しなければならない。断片的なものはぼんやりと見える。今はその糸口を探している。歩きながら、食事を摂りながら、時に用を足している最中。また、ベッドに入って夢うつつで考える。まるで頭の中で粘土細工をやっている感じだ。
ベッドに横たわり水平思考でシミュレーションし、ハッ!としたら昼夜構わず机に向かっている。そして問題点に気づいて再び悶々とするのである。こんな私を妻は「またしょうもないことを考えてる」といい、娘や息子達とともに「趣味の世界に入ってる」と・・・・。そのとおりだ。まさに趣味レーション中である。
※シュミレーション〜シミュレーション(simulation)のありがちな覚え間違い。
しょうもないことであっても決して反対しているわけではない。結果に対しては協力的であり、失敗を責めることもない。こういった協力があるからこそ経験を積むことができ、シミュレーションのみで終わった場合であってもそれは知的経験として蓄積することが出来る。
さて今回の案件だが、これは知的経験のにみは終わらせたくない。望まれれば望まれるほど何とかしなければならない。
写真は特殊撮影とは関係ないが、蛍光灯照明下でのインタビューに蛍光灯ライトにGフィルターをかけている。これは照明部の技術である。
|
2009年3月11日
|
記事へ |
コメント(4) |
トラックバック(0) |
|
映像制作・撮影技術 /
技術系・ハイテク系 |
トラックバックURL:http://blog.zaq.ne.jp/senri/trackback/831/
※ブログ管理者が承認するまで表示されません
今日は面白かった。昨年も編集した「久光劇場」新作の編集である。
といって映画ではなく、イベント用の映像である。今回は社員の方が熱演する「鎌田行進曲」のパロディだ。
久光製薬というと誰もが知っているというか、お世話になったことがある「サロンパス」が有名だが、病院で処方される「モーラス」も久光製薬の製品だ。久光製薬は江戸時代末期の1847年に「小松屋」として創業したのが始まりだ。創業地の鳥栖市田代は昔から朝鮮との貿易が盛んな地域で医薬が発展した。
昭和9年(1934)発売した「サロンパス」は余りにも有名なロングセラーだが、それよりも前の明治40年(1907)に発売した「快腹丸」は今なお販売されている。素晴らしい。
会社の沿革はさておき、売り上げ1000億を超える企業のパワーを「久光劇場」制作に全力を注ぐ社員さんに久光の原動力を見出すことが出来る。四角四面のビジネスにとらわれたベンチャーとは違った、アドベンチャーの精神である。編集時の参考用に用意いただいた「鎌田行進曲」のDVD、久しぶりに見たが、素晴らしかった。数々の特典映像も収録されていて、陶磁の太秦の様子や付近のロケ地なども紹介されている。もちろん個人用にリッピングもさせていただいた。
今回の仕事でも大きなパワーを与えていただいたと思う。是非自分自身のパワーにしていきたいと思う。
|
2009年3月8日
|
記事へ |
コメント(0) |
トラックバック(0) |
|
映像制作・撮影技術 /
CEO・映像技術職人 |
トラックバックURL:http://blog.zaq.ne.jp/senri/trackback/829/
※ブログ管理者が承認するまで表示されません
相互リンクさせていただいている「自作の人生」さん(山梨県北杜市武川町−自作ハウス作り〜日常生活)のブログにこんな写真が載っている。
自作のスタビライザー「すてきーカム」だ。ステディカムを捩ったオヤジギャグ的ネーミングだが、とてもステキなスタビライザーだ。
その記事の中でバランスも考慮し車載モニターを利用。またこのモニターが便利でボタン一つで上下左右に画像を反転できる。カムをひっくり返してローアングルで撮る時いちいちモニターを逆さまにしなくて良い。電源もVマウントバッテリー。リチウムBATは16.6V位まで上がってしまうが今のところ車載モニターでも平常に動いている。サイズも16:9だしちょうど良い。
1.2GHzの無線映像伝送装置(監視カメラ用の安物でも結構良い)もつけたので、すてきーカムの映像を別のモニターで確認できる。また、すてきーカムのモニターでも他カメラの映像が見れると言う訳!余り使わないと思うが・・・。でもモニターとVマウントのおかげでバランスはバッチリ。おかげでウエイトにもなりかなりの防振効果が期待できる。 と書いておられるが、氏の柔軟で既成概念にとらわれない姿勢には感服する。
頑張っておられる人から刺激を受けている最中である。このすてきーカムだが、市販されているメーカー製よりもスタイルがいいと思うのは私だけではないと思う。
|
2009年3月4日
|
記事へ |
コメント(0) |
トラックバック(0) |
|
映像制作・撮影技術 |
トラックバックURL:http://blog.zaq.ne.jp/senri/trackback/828/
※ブログ管理者が承認するまで表示されません
「Z5J 内蔵マイク 音質」である。
購入から2ヶ月を過ぎ、様々な現場でZ5Jを使ってきた。実は未だに内臓マイクを使った記憶がない。というのもZ1Jでは別売りだった外部マイクが付属品として付いて来るために内臓マイクを使うことが無い。また、収録ではもっぱらMKH-416や、RAMSAのワイヤレスマイクなどをシグマのSS−302を介してZ5Jに入力する。

写真はNECのVPを撮影した時のZ5J。ラムサを使用している。
もし内臓マイクを使うとすれば外部マイクを忘れた時や、ステレオ録音を行いたい時くらいだ。ただしステレオ録音では定位を安定させるために内臓マイクではなく外部マイクを使用し、やはりフィールド用ミキサーを使用する。

↑写真はプロテックのフィールド用ミキサー

↑オリジナルのステレオショットガンマイクECM−6372 ではどんな時に内臓ステレオマイクを使用するのか?
現場で急にステレオ録音を求められ、かつ外部のステレオマイクをもっていなかった場合ということになる。その時のことを考え、一度内臓マイクの音質をチェックする必要があるだろう。
写真はレインカバーを被せたZ5Jである。ジャマーを被せたガンマイクのみカバーから露出するようになっているが、内臓マイクではそうはいかない。
音声の必要が無かったため、外部マイクは使用していないが、ワイドコンバーターを使用する場合はサンシェードが音を遮るため、内臓、直付け外部マイクとも使えない。外部マイクを使用しなければならない。
今回検索にあった「Z5J 内蔵マイク 音質」だが、折を見てテストしてみたいと思う。
|
2009年3月1日
|
記事へ |
コメント(2) |
トラックバック(1) |
|
映像制作・撮影技術 /
音声・録音・音響 |
トラックバックURL:http://blog.zaq.ne.jp/senri/trackback/827/
※ブログ管理者が承認するまで表示されません
「志摩スペイン村 ロケ」だ。毎年春休み前や、夏休み前に行っている。
ここ3回はずっとHVR-Z1Jで撮影してきた。オンエア用だがZ1JのDVCAMモードである。
バタバタとした撮影だがけっこう楽しんでいる。
これまでグライドカムやミニジブなどを使用してきたが撮影はずっとHVR-Z1Jで通してきた。特にZ1Jにこだわっている理由は無い。しいて言えば少人数でのロケが可能ということだろう。
さて今回だが、コンテを見る限りはZ1Jで問題は無い。しかしそれなら今回は30Pで行ってみようということでHVR-Z5Jでプログレッシブを考えてみる。あとは現場で判断だ。いずれにせよ小型カムコーダーは引っ張りだこである。
低予算化される制作環境では何もかもHDCAMというわけには行かない。予算がないのにHDCAMというのは作る側の自己満足であり、予算、画質、コスト、利益をバランスさせなければ続けてはいけない。
さて、間もなく春の新製品ラッシュが始まるが、その第一弾がパナソニックのHPX305だ。間もなく発売されるが、価格はソニーのXDCAMENのPMW-EX3と同じ帯域。PvsSのバトルはさぞ激しいものになるだろう。私としては35Mbpsよりは50M/100MbpsのAVCイントラのメモリー記録に興味を惹かれるが、SxSもただ指をくわえては見ていないだろう。映画の国アメリカではHDVの25Mではダメとも聞く。XDCAMHDの50Mモードなど、MPEGの標準が50Mに移行することはオンエアが15M/25Mであることを考えれば当然である。収録では少なくとも倍のビットレートは確保したい。
|
2009年2月27日
|
記事へ |
コメント(2) |
トラックバック(0) |
|
映像制作・撮影技術 /
旅の紀行 |
トラックバックURL:http://blog.zaq.ne.jp/senri/trackback/826/
※ブログ管理者が承認するまで表示されません